Descrição
Shelly 4-Channel Decoupler 230V - Módulo Desacoplador de 4 Canais
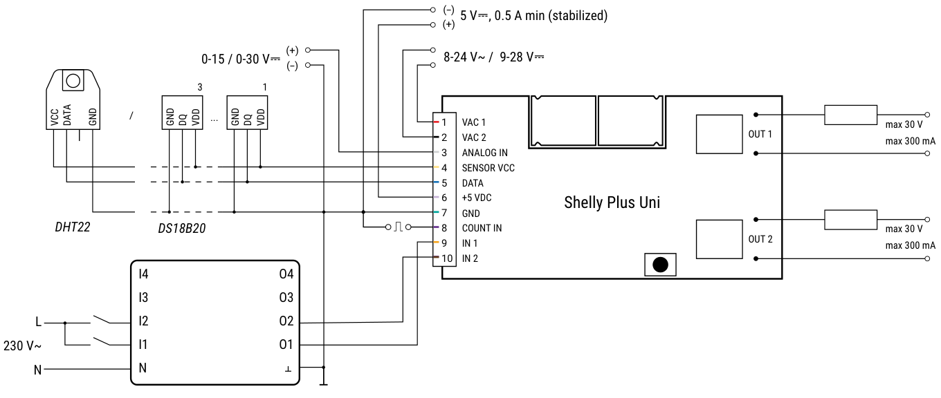
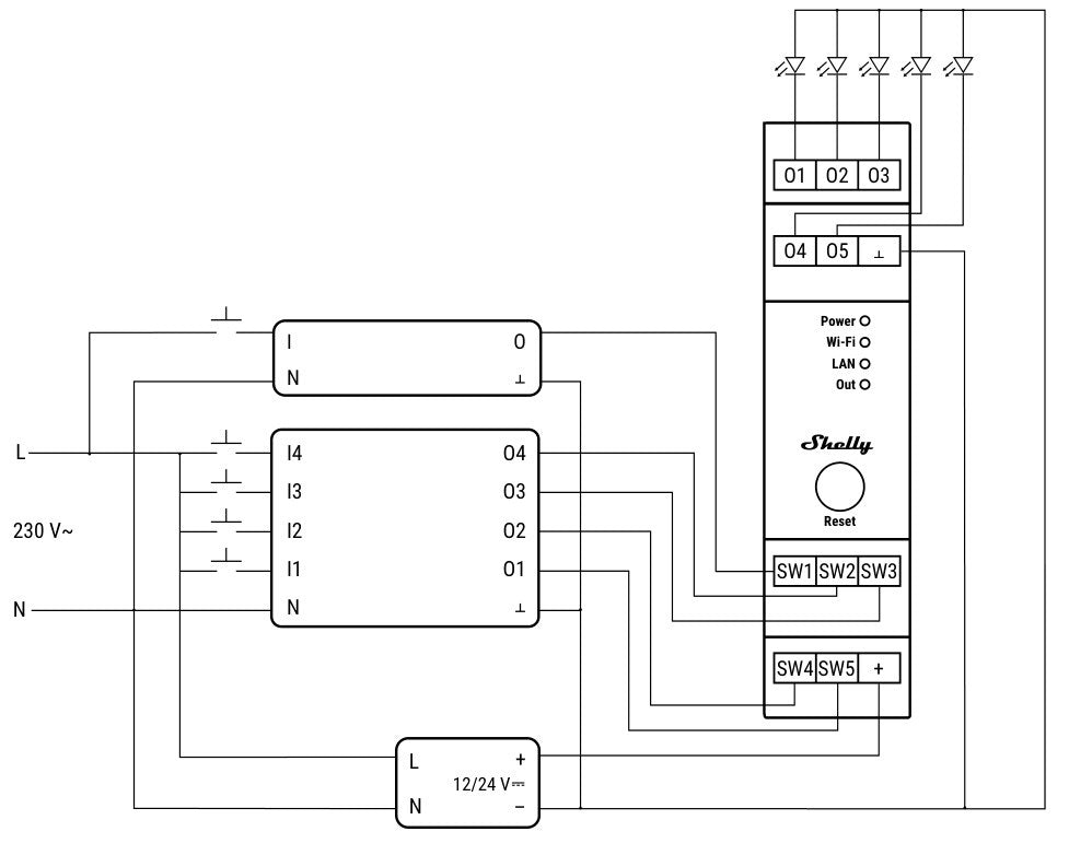
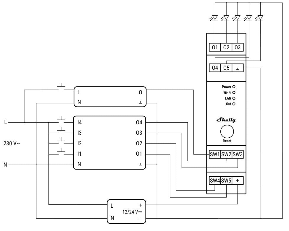
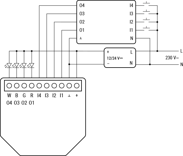
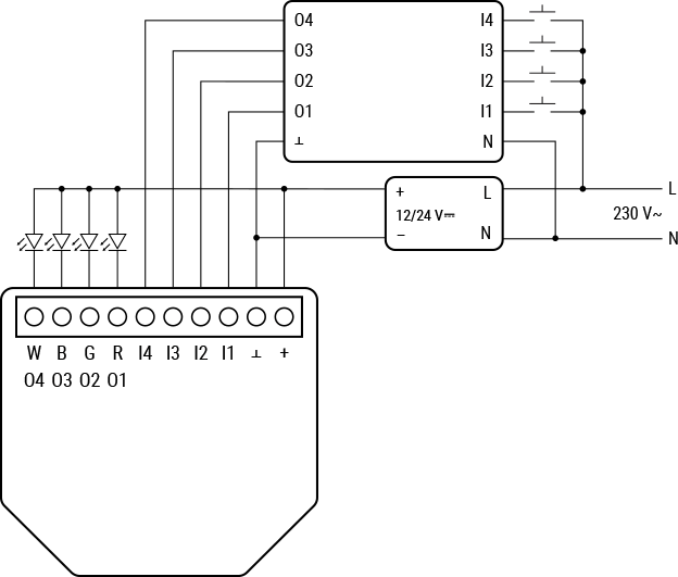
O Shelly 4-Channel Decoupler 230V é um módulo compacto que permite acionar sinais de corrente contínua (DC) a partir de entradas de 230 V AC. Ideal para automatizações residenciais, retrofits e integração com sistemas Shelly, garante isolamento elétrico completo, proteção contra picos de tensão e acionamento seguro de até quatro canais independentes.
O seu design ultrafino, consumo reduzido e instalação simples tornam-no perfeito para espaços pequenos e instalações discretas, sem comprometer a segurança ou a eficiência.
Características do produto:
Marca: Shelly
Modelo: 4-Channel Decoupler 230V
Protocolo de Comunicação: AC→DC
Alimentação: 230 V~ 50 Hz
Material: Plástico de alta durabilidade
Peso: 25 g
Dimensões: 44 × 34 × 7 mm
Canais: 4 canais DC
Consumo de energia: < 0,6 W
Compatibilidade: Shelly Plus RGBW PM, Shelly Pro RGBWW PM, Shelly Plus Uni, Shelly Plus Add-On
Notas:
-Uso exclusivo em interiores
-Instalação deve ser realizada por eletricista qualificado
-Deve ser protegido por disjuntor conforme EN 60898-1 (B ou C, máx. 16 A)
-Não ligar vários fios do desacoplador ao mesmo terminal
Inclui:
1x Shelly 4-Channel Decoupler 230V
Cabos integrados (80 mm)
1x Documentação de instalação
Referencia: SH4CD230V
Código de barras: 3800238072124








